品牌:中国台湾DSC阀门
包装:木箱
发货:快递
质保:一年
起订:1台
供应:1000台
发货:2天内
发送询价
中国台湾DSC倒筒式节能疏水阀982型产品简介:
DSC疏水阀也叫自动排水器或凝结水排放器,其分为蒸汽系统使用和气体系统使用。DSC疏水阀装在用蒸汽加热的管路终端,其作用把蒸汽加热的管道中的冷凝水不断排放到管道外。大多疏水器可以自动识别汽、水(不包括热静力式),从而达到自动阻汽排水的目的。DSC疏水阀广泛应用于石油化工,食品制药,电厂等行业,在节能减排方面起着很大作用。
中国台湾DSC倒筒式疏水阀是一种利用蒸汽和凝结水密度差异工作的疏水设备,其核心原理如下:
基本结构
1.主要由阀体、倒置桶(桶口向下)、杠杆机构、阀瓣等部件组成,倒置桶悬浮在阀体内的水空间中,与阀瓣通过杠杆连接。
工作原理
1.排气阶段:设备启动时,管道内存在空气和低温凝结水,倒吊桶内充满空气,整体密度较小,桶上浮通过杠杆使阀瓣打开,空气和凝结水排出。
2.排水阶段:当蒸汽进入阀体,部分蒸汽进入倒置桶内,桶内空气被排出,蒸汽密度远小于凝结水,倒吊桶因浮力增大而上浮,带动阀瓣关闭,阻止蒸汽泄漏。
3.再次排水:随着凝结水不断产生并积聚在阀体内,倒吊桶外的水位上升,桶内蒸汽逐渐冷凝成水,桶的整体密度增大,失去浮力后下沉,通过杠杆打开阀瓣,凝结水排出。随后蒸汽再次进入桶内,重复上述过程,实现自动排水阻汽。
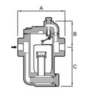
结构尺寸:

尺寸规格:
| 型号 | 口径 | A | B | C | 蒸汽压力 | 重量 |
| 982 | 20.25 | 170 | 96 | 137 | 17K |
7Kg |
中国台湾DSC蒸汽疏水阀凭借其耐高压、耐高温、抗水击、排水能力强且工作可靠等特点,在多种工业场景中被广泛应用,主要包括以下领域:
1.蒸汽加热设备:如换热器、散热器、烘干箱等。这类设备需要及时排出凝结水以维持高效加热,倒置桶式疏水阀能快速排出凝结水,同时有效阻止蒸汽泄漏,保证加热效率。
2.蒸汽管道系统:用于蒸汽主管、支管的疏水。在蒸汽输送过程中,管道会因散热产生凝结水,若不及时排出可能引发水击,损坏管道和设备,该疏水阀可稳定排出凝结水,保障管道安全运行。
3.动力设备:像汽轮机、蒸汽机等。这些设备运行时会产生大量凝结水,倒置桶式疏水阀能及时将其排出,避免影响设备的正常运转和效率。
4.工艺过程:在食品加工、化工反应、制药等需要蒸汽参与的工艺中,该疏水阀可精准控制凝结水排放,确保工艺条件稳定,提高产品质量。
