品牌:中国台湾DSC阀门
包装:木箱
发货:快递
质保:一年
起订:1台
供应:1000台
发货:2天内
发送询价
中国台湾DSC倒筒式节能疏水阀993型安装要点
一. 安装位置:
1.需安装在蒸汽设备或管道的zui低点,确保凝结水能自然流入疏水阀,便于及时排出。
2.远离剧烈振动的设备,若无法避免,需加装缓冲装置,防止部件因振动损坏。
二. 方向与连接:
1.严格按照阀体上的箭头指示安装,确保介质流向正确,不可反向安装。
2.连接方式需匹配管道规格(如螺纹、法兰连接),保证密封良好,避免蒸汽泄漏。
三. 辅助装置:
1.上游需安装过滤器,防止管道内的杂质(如铁锈、焊渣)进入疏水阀,堵塞内部部件。
2.下游可安装止回阀(若有回水压力),防止凝结水倒流;必要时加装阀门,便于检修时切断管路。
四. 管道布置:
1.疏水阀与设备之间的连接管道应尽可能短且无弯曲,减少阻力;管道直径不小于疏水阀入口直径,避免凝结水积聚。
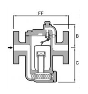
结构尺寸:

尺寸规格:
| 型号 | 口径 | FF | B | C | 蒸汽压力 | 重量 |
| 993 | DN25 | 253 | 121 | 193 | 17K |
15Kg |
